71.
A potentiometer wire has length $$4\,m$$ and resistance $$8\,\Omega .$$ The resistance that must be connected in series with the wire and an accumulator of emf $$2V,$$ so as to get a potential gradient $$1\,mV$$ per $$cm$$ on the wire is
Given, $$l = 4m,$$
$$R =$$ potentiometer wire resistance $$ = 8\,\Omega $$
Potential gradient $$ = \frac{{dV}}{{dr}} = 1\,mV/cm$$
So, for $$400\,cm,\,\Delta V = 400 \times 1 \times {10^{ - 3}} = 0.4\,V$$
Let $$a$$ resistor $${R_s}$$ connected in series, so as
$$\eqalign{
& \Delta V = \frac{V}{{R + {R_s}}} \times R \Rightarrow 0.4 = \frac{2}{{8 + R}} \times 8 \cr
& \Rightarrow 8 + R = \frac{{16}}{{0.4}} = 40 \Rightarrow R = 32\,\Omega \cr} $$
72.
A student measures the terminal potential difference $$\left( V \right)$$ of a cell (of emf $$\varepsilon $$ and internal resistance $$r$$) as a function of the current $$\left( I \right)$$ flowing through it. The slope and intercept of the graph between $$V$$ and $$I,$$ respectively, equal to
According to Ohm's law
$$\frac{{dV}}{{dI}} = - r\,\,{\text{and}}\,V = \varepsilon \,\,{\text{if}}\,\,I = 0\,\,\left[ {{\text{As}}\,\,V + Ir = \varepsilon } \right]$$
So, slope of the graph $$ = -r$$ and intercept $$ = \varepsilon $$
73.
The resistance of a wire is $$5\,ohm$$ at $${50^ \circ }C$$ and $$6\,ohm$$ at $${100^ \circ }C.$$ The resistance of the wire at $${0^ \circ }C$$ will be
After stretching, specific resistance $$\left( \rho \right)$$ will remain same.
Original resistance of wire, $$R = \frac{{\rho l}}{A}$$
Ratio of resistance before and after streching,
$$\eqalign{
& \frac{{{R_2}}}{{{R_1}}} = \frac{{{l_2}}}{{{l_1}}} \times \frac{{{A_1}}}{{{A_2}}} = {\left[ {\frac{{{l_2}}}{{{l_1}}}} \right]^2} \cr
& \frac{{{R_2}}}{{{R_1}}} = \frac{{{{\left( {l + 10\% l} \right)}^2}}}{{{l^2}}} \cr
& \frac{{{R_2}}}{{{R_1}}} = \frac{{{{\left( {\frac{{11}}{{10}}l} \right)}^2}}}{{{l^2}}} \cr
& {R_2} = 1.21\,{R_1} \cr} $$
75.
Drift speed of electrons, when $$1.5\,A$$ of current flows in a copper wire of cross section $$5m{m^2},$$ is $$v.$$ If the electron density in copper is $$9 \times {10^{28}}/{m^3}$$ the value of $$v$$ in mm/s close to (Take charge of electron to be = $$1.6 \times {10^{ - 19}}C$$ )
76.
In meter bridge, the balancing length from left is found to be $$20\,cm$$ when standard resistance of $$1\,\Omega $$ is in right gap. The value of unknown resistance is
Voltage across $$2\,\Omega ,$$
$$ = 3 \times 2 = 6\,V$$
Voltage across $$4\,\Omega $$ and $$\left( {5\,\Omega + 1\,\Omega } \right)$$ resistor is same.
So, current across $$5\,\Omega = \frac{6}{{1 + 5}} = 1\,A\,\,\left[ {i = \frac{V}{R}} \right]$$
Power across $$5\,\Omega = P = {i^2}R$$
$$\eqalign{
& = {\left( 1 \right)^2} \times 5 \cr
& = 5\,W \cr} $$
78.
If $${\theta _i},$$ is the inversion temperature, $${\theta _n}$$ is the neutral temperature, $${\theta _c}$$ , is the temperature of the cold junction, then
A
$${\theta _i} + {\theta _c} = {\theta _n}$$
B
$${\theta _i} - {\theta _c} = 2{\theta _n}$$
C
$$\frac{{{\theta _i} + {\theta _C}}}{2} = {\theta _n}$$
79.
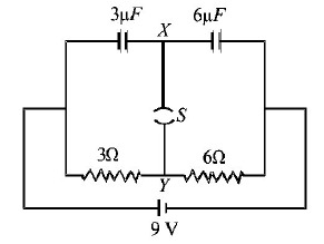
A circuit is connected as shown in the figure with the switch $$S$$ open. When the switch is closed, the total amount of charge that flows from $$Y$$ to $$X$$ is
The total charge enclosed in the dotted portion when the switch $$S$$ is open is zero. When the switch is closed and steady state is reached, the current $$I$$ coming from the battery is
$$9 = I\left( {3 + 6} \right) \Rightarrow I = 1A$$
∴ Potential difference across $$3\Omega $$ resistance = $$3V$$ and potential difference across $$6\Omega $$ resistance = $$6V$$
∴ p.d. across $$3\,\mu F$$ capacitor = $$3V$$
and p.d. across $$6\,\mu F$$ capacitor = $$6V$$
∴ Charge on $$3\,\mu F$$ capacitor $${Q_1} = 3 \times 3 = 9\mu C$$
Charge on $$6\,\mu F$$ capacitor $${Q_2} = 6 \times 6 = 36\mu C$$
∴ Charge passing the switch $$ = 36 - 9 = 27\,\mu C$$
80.
40 electric bulbs are connected in series across a $$220\,V$$ supply. After one bulb is fused the remaining 39 are connected again in series across the same supply. The illumination will be
As the voltage is same for both forty and thirty nine bulbs combination, therefore heat produced is given by $$H = \frac{{{V^2}t}}{R}$$ and $$H \propto \frac{1}{R}.$$ As equivalent resistance decreases, the combination of 39 bulbs will glow more.