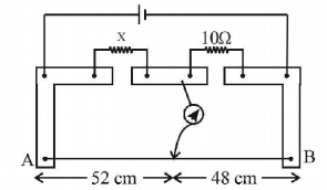
151. A meter bridge is set up as shown, to determine an unknown resistance $$'X'$$ using a standard $$10\,ohm$$  resistor. The galvanometer shows null point when tapping-key is at $$52\,cm$$  mark. The end-corrections are $$1\,cm$$  and $$2\,cm$$  respectively for the ends $$A$$ and $$B.$$ The determined value of $$'X'$$ is
Electric Current mcq question image

A $$10.2\,ohm$$
B $$10.6\,ohm$$
C $$10.8\,ohm$$
D $$11.1\,ohm$$
Answer :   $$10.6\,ohm$$
Discuss Question

152. In the circuit shown, the cells $$A$$ and $$B$$ have negligible resistances. For $${V_A} = 12\,V,{R_1} = 500\,\Omega $$     and $$R = 100\,\Omega $$   the galvanometer $$\left( G \right)$$  shows no deflection. The value of $${V_B}$$ is
Electric Current mcq question image

A $$4\,V$$
B $$2\,V$$
C $$12\,V$$
D $$6\,V$$
Answer :   $$2\,V$$
Discuss Question

153. At room temperature, copper has free electron density of $$8.4 \times {10^{28}}$$   per $${m^3}.$$ The copper conductor has a cross-section of $${10^{ - 6}}{m^2}$$   and carries a current of $$5.4\,A.$$  The electron drift velocity in copper is

A $$400\,m/s$$
B $$0.4\,m/s$$
C $$0.4\,mm/s$$
D $$72\,m/s$$
Answer :   $$0.4\,mm/s$$
Discuss Question

154. Three resistances each of $$4\,\Omega $$  are connected to form a triangle. The resistance between any two terminals is

A $$12\,\Omega $$
B $$2\,\Omega $$
C $$6\,\Omega $$
D $$\frac{8}{3}\,\Omega $$
Answer :   $$\frac{8}{3}\,\Omega $$
Discuss Question

155. Forty electric bulbs are connected in series across a $$220\,V$$  supply. After one bulb is fused the remaining $$39$$ are connected again in series across the same supply. The illumination will be

A more with $$40$$ bulbs than with $$39$$
B more with $$39$$ bulbs than with $$40$$
C equal in both the cases
D in the ratio $${40^2}:{39^2}$$
Answer :   more with $$39$$ bulbs than with $$40$$
Discuss Question

156. In the circuit $$P \ne R$$  the reading of the galvanometer is same with switch $$S$$ open or closed. Then
Electric Current mcq question image

A $${I_R} = {I_G}$$
B $${I_P} = {I_G}$$
C $${I_Q} = {I_G}$$
D $${I_Q} = {I_R}$$
Answer :   $${I_R} = {I_G}$$
Discuss Question

157. A $$12\,cm$$  wire is given a shape of a right angled triangle $$ABC$$  having sides $$3\,cm,4\,cm$$   and $$5\,cm$$  as shown in the figure. The resistance between two ends $$\left( {AB,BC,CA} \right)$$   of the respective sides are measured one by one by a multi-meter. The resistances will be in the ratio of
Electric Current mcq question image

A $$3:4:5$$
B $$9:16:25$$
C $$27:32:35$$
D $$21:24:25$$
Answer :   $$27:32:35$$
Discuss Question

158. In the given mesh, each resistor has resistance $$R.$$ The effective resistance between the terminals $$A$$ and $$B$$ is
Electric Current mcq question image

A $$\frac{{3R}}{8}$$
B $$\frac{{R}}{2}$$
C $$R$$
D $$2\,R$$
Answer :   $$\frac{{3R}}{8}$$
Discuss Question

159. Drift velocity of electrons is due to

A motion of conduction electrons due to random collisions.
B motion of conduction electrons due to electric field $$\vec E.$$
C repulsion to the conduction electrons due to inner electrons of ions.
D collision of conduction electrons with each other.
Answer :   motion of conduction electrons due to electric field $$\vec E.$$
Discuss Question

160. Consider a thin square sheet of side $$L$$ and thickness $$t,$$ made of a material of resistivity $$\rho .$$ The resistance between two opposite faces, shown by the shaded areas in the figure is
Electric Current mcq question image

A directly proportional to $$L$$
B directly proportional to $$t$$
C independent of $$L$$
D independent of $$t$$
Answer :   independent of $$L$$
Discuss Question


Practice More MCQ Question on Physics Section