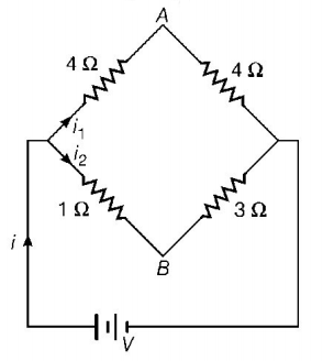
Resistances $$4\,\Omega $$ and $$4\,\Omega $$ are connected in series, so their effective resistance is
$$R' = 4 + 4 = 8\,\Omega $$
Similarly, $$1\,\Omega $$ and $$3\,\Omega $$ are in series
So, $$R'' = 1 + 3 = 4\,\Omega $$
Now $${R'}$$ and $${R''}$$ will be in parallel, hence effective resistance
$$\eqalign{
& R = \frac{{R' \times R''}}{{R' + R''}} \cr
& = \frac{{8 \times 4}}{{8 + 4}} = \frac{{32}}{{12}} = \frac{8}{3}\Omega \cr} $$
Current through the circuit, from Ohm's law
$$i = \frac{V}{R} = \frac{{3V}}{8}A$$
Let currents $${i_1}$$ and $${i_1}$$ flow in the branches as shown. As voltage remains same in parallel combination i.e. $${V_1} = {V_2}$$

$$\eqalign{
& \therefore 8{i_1} = 4{i_2} \cr
& \Rightarrow {i_2} = 2{i_1}\,......\left( {\text{i}} \right) \cr
& {\text{Also,}}\,\,i = {i_1} + {i_2} \cr
& \Rightarrow \frac{{3V}}{8} = {i_1} + 2{i_1} \cr
& \Rightarrow {i_1} = \frac{V}{8}A\,\,{\text{and}}\,\,{i_2} = \frac{V}{4}A \cr} $$
Potential drop at $$A,$$
$${V_A} = 4 \times {i_1} = \frac{{4V}}{8} = \frac{V}{2}$$
Potential drop at $$B,$$
$${V_B} = 1 \times {i_2} = 1 \times \frac{V}{4} = \frac{V}{4}$$
Since, drop of potential is greater in $$4\,\Omega $$ resistance so, it will be at lower potential than $$B.$$ Hence, on connecting wire between points $$A$$ and $$B$$ the current will flow from $$B$$ to $$A.$$