41. The reactance of a capacitor of capacitance $$C$$ is $$X.$$ If both the frequency and capacitance be doubled, then new reactance will be

A $$X$$
B $$2X$$
C $$4X$$
D $$\frac{X}{4}$$
Answer :   $$\frac{X}{4}$$
Discuss Question

42. Figure shows a circuit that contains three identical resistors with resistance $$R = 9.0\,\Omega $$   each, two identical inductors with inductance $$L = 2.0\,mH$$   each, and an ideal battery with emf $$\varepsilon = 18\,V.$$  The current $$i$$ through the battery just after the switch closed is
Alternating Current mcq question image

A $$2\,mA$$
B $$0.2\,A$$
C $$2\,A$$
D None of these
Answer :   None of these
Discuss Question

43. In an $$L-C$$  circuit shown in the figure, $$C = 1F,L = 4H.$$    At time $$t = 0,$$  charge in the capacitor is $$4C$$ and it is decreasing at a rate of $$\sqrt 5 \,C/s.$$  Choose the correct statements.
Alternating Current mcq question image

A maximum charge in the capacitor can be $$6C$$
B maximum charge in the capacitor can be $$8C$$
C charge in the capacitor will be maximum after time $$2{\sin ^{ - 1}}\left( {\frac{2}{3}} \right)\sec $$
D None of these
Answer :   maximum charge in the capacitor can be $$6C$$
Discuss Question

44. A condenser of capacity $$C$$ is charged to a potential difference of $${V_1}.$$ The plates of the condenser are then connected to an ideal inductor of inductance $$L.$$ The current through the inductor when the potential difference across the condenser reduces to $${V_2}$$ is

A $${\left( {\frac{{C\left( {V_1^2 - V_2^2} \right)}}{L}} \right)^{\frac{1}{2}}}$$
B $${\left( {\frac{{C{{\left( {{V_1} - {V_2}} \right)}^2}}}{L}} \right)^{\frac{1}{2}}}$$
C $$\frac{{C\left( {V_1^2 - V_2^2} \right)}}{L}$$
D $$\frac{{C\left( {{V_1} - {V_2}} \right)}}{L}$$
Answer :   $${\left( {\frac{{C\left( {V_1^2 - V_2^2} \right)}}{L}} \right)^{\frac{1}{2}}}$$
Discuss Question

45. An inductor $$20 \times {10^{ - 3}}{\text{Henry,}}$$    a capacitor $$100\,\mu F$$  and a resistor $$50\Omega $$  are connected in series across a source of EMF $$V = 10\sin 314\,t.$$    If resistance is removed from the circuit and the value of inductance is doubled, then the variation of current with time in the new circuit is -

A $$0.52\cos 314\,t$$
B $$0.52\sin 314\,t$$
C $$0.52\sin \left( {314\,t + \frac{\pi }{3}} \right)$$
D None of these
Answer :   $$0.52\cos 314\,t$$
Discuss Question

46. Of the following about capacitive reactance which is correct?

A The reactance of the capacitor is directly proportional to its ability to store charge
B Capacitive reactance is inversely proportional to the frequency of the current
C Capacitive reactance is measured in farad
D The reactance of a capacitor in an $$A.C.$$  circuit is similar to the resistance of a capacitor in a $$D.C.$$  circuit
Answer :   Capacitive reactance is inversely proportional to the frequency of the current
Discuss Question

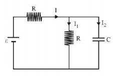
47. In given circuit capacitor initially uncharged. Now at $$t = 0$$  switch $$S$$ is closed then current given by source at any time $$t$$ is
Alternating Current mcq question image

A $$\frac{2}{R}\left( {1 - {e^{\frac{{ - 2t}}{{CR}}}}} \right)$$
B $$\frac{\varepsilon }{{2R}}\left( {1 + {e^{\frac{{ - 2t}}{{CR}}}}} \right)$$
C $$\frac{\varepsilon }{{2R}}\left( {1 - {e^{\frac{{ - 2t}}{{CR}}}}} \right)$$
D $$\frac{{2\varepsilon }}{R}\left( {1 - {e^{\frac{{ - 2t}}{{CR}}}}} \right)$$
Answer :   $$\frac{\varepsilon }{{2R}}\left( {1 + {e^{\frac{{ - 2t}}{{CR}}}}} \right)$$
Discuss Question

48. A coil of inductive reactance $$31\,\Omega $$  has a resistance of $$8\,\Omega .$$  It is placed in series with a condenser of capacitative reactance $$25\,\Omega .$$ The combination is connected to an $$AC$$  source of $$110\,V.$$  The power factor of the circuit is

A 0.56
B 0.64
C 0.80
D 0.33
Answer :   0.80
Discuss Question

49. A coil has resistance 30 ohm and inductive reactance 20 ohm at $$50\,Hz$$  frequency. If an $$ac$$  source, of 200 volt, $$100\,Hz,$$  is connected across the coil, the current in the coil will be

A $$4.0\,A$$
B $$8.0\,A$$
C $$\frac{{20}}{{\sqrt {13} }}A$$
D $$2.0\,A$$
Answer :   $$4.0\,A$$
Discuss Question

50. The equation of alternating current is :
$$I = 50\sqrt 2 \sin 400\pi t\,amp.$$     Then the frequency and root mean square of current are respectively

A $$200\,Hz,50\,amp$$
B $$400\pi \,Hz,50\sqrt 2 \,amp$$
C $$200\,Hz,50\sqrt 2 \,amp$$
D $$50\,Hz,200\,amp$$
Answer :   $$200\,Hz,50\,amp$$
Discuss Question


Practice More MCQ Question on Physics Section