Impedance at resonant frequency is minimum in series $$LCR$$ circuit.
So, $$Z = \sqrt {{R^2} + {{\left( {2\pi fL - \frac{1}{{2\pi fC}}} \right)}^2}} $$
When frequency is increased or decreased, $$Z$$ increases.
32.
An $$ac$$ source of angular frequency $$\omega $$ is fed across a resistor $$R$$ and a capacitor $$C$$ in series. The current registered is $$I.$$ If now the frequency of source is changed to $$\frac{\omega }{3}$$ (but maintaining the same voltage), the current in the circuit is found to be halved. Then the ratio of reactance to resistance at the original frequency $$\omega $$ is
According to given problem,
$$\eqalign{
& I = \frac{V}{Z} = \frac{V}{{{{\left[ {{R^2} + {{\left( {\frac{1}{{C\omega }}} \right)}^2}} \right]}^{\frac{1}{2}}}}}\,......\left( {\text{i}} \right) \cr
& {\text{and}}\,\,\frac{I}{2} = \frac{V}{{{{\left[ {{R^2} + {{\left( {\frac{3}{{C\omega }}} \right)}^2}} \right]}^{\frac{1}{2}}}}}\,......\left( {{\text{ii}}} \right) \cr} $$
Substituting the value of $$I$$ from eq. (i) in (ii),
$$\eqalign{
& 4\left( {{R^2} + \frac{1}{{{C^2}{\omega ^2}}}} \right) = {R^2} + \frac{9}{{{C^2}{\omega ^2}}} \cr
& {\text{i}}{\text{.e}}{\text{.,}}\,\frac{1}{{{C^2}{\omega ^2}}} = \frac{3}{5}{R^2} \cr
& {\text{So}}\,{\text{that}}\,\,\frac{X}{R} \cr
& = \frac{{\left( {\frac{1}{{C\omega }}} \right)}}{R} = \frac{{{{\left( {\frac{3}{5}{R^2}} \right)}^{\frac{1}{2}}}}}{R} = \sqrt {\frac{3}{5}} \cr} $$
33.
A capacitor of $$10\,\mu F$$ and an inductor of $$1\,H$$ are joined in series. An $$ac$$ of $$50\,Hz$$ is applied to this combination. What is the impedance of the combination?
A
$$\frac{{5\left( {{\pi ^2} - 5} \right)}}{\pi }\Omega $$
B
$$\frac{{{{10}^2}\left( {10 - {\pi ^2}} \right)}}{\pi }\Omega $$
C
$$\frac{{10\left( {{\pi ^2} - 5} \right)}}{\pi }\Omega $$
D
$$\frac{{{5^2}\left( {10 - {\pi ^2}} \right)}}{\pi }\Omega $$
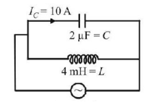
34.
For the circuit as shown in figure; the applied current in $$A.C.$$ circuit is zero ampere and $${I_C} = 10\,A.$$ Then the magnitude of current $${I_L}$$ is
$$\cos \phi = \frac{R}{Z},$$ where $$Z$$ is the impedance & $$Z = \sqrt {{R^2} + {{\left( {{X_L} - {X_C}} \right)}^2}} ,$$ if there is only resistance then $$Z = R \Rightarrow \cos \phi = 1$$
36.
An inductor $$\left( {L = 0.03\,H} \right)$$ and a resistor $$\left( {R = 0.15\,k\Omega } \right)$$ are connected in series to a battery of $$15V$$ emf in a circuit shown below. The key $${K_1}$$ has been kept closed for a long time, Then at $$t = 0,$$ $${K_1}$$ is opened and key $${K_2}$$ is closed simultaneously. At $$t = 1\,ms,$$ the current in the circuit will be :
$$\left( {{e^5} \cong 150} \right)$$
In series $$LCR$$ circuit at resonance,
$${\text{capacitive reactance}}\left( {{X_C}} \right) = {\text{inductive reactance}}\left( {{X_L}} \right)$$
$${\text{i}}{\text{.e}}{\text{.}}\,\,\frac{1}{{\omega C}} = \omega L$$
Total impedance of the circuit
$$\eqalign{
& Z = \sqrt {{R^2} + {{\left( {{X_L} - {X_C}} \right)}^2}} \cr
& = \sqrt {{R^2} + {{\left( {\omega L - \frac{1}{{\omega C}}} \right)}^2}} \cr
& {\text{i}}{\text{.e}}{\text{.}}\,\,Z = R \cr} $$
So, power factor, $$\cos \phi = \frac{R}{Z} = \frac{R}{R} = 1$$
Thus, power loss at resonance is given by
$$\eqalign{
& P = {V_{rms}}\,{i_{rms}}\cos \phi \,\,\left[ {\cos \phi = 1} \right] \cr
& = {V_{rms}}\,{i_{rms}} \times 1 \cr
& = \left( {{i_{rms}}R} \right){i_{rms}} \cr
& = {\left( {{i_{rms}}} \right)^2}R = {i^2}R \cr} $$
38.
The phase difference between the alternating current and
emf is $$\frac{\pi }{2}.$$ Which of the following cannot be the constituent of the circuit?
Phase difference for $$R - L$$ circuit lies between $$\left( {0,\frac{\pi }{2}} \right)$$
39.
A capacitor in an $$LC$$ oscillator has a maximum potential difference of $$17\,V$$ and a maximum energy of $$160\,\mu J.$$ When the capacitor has a potential difference of $$5V$$ and an energy of $$10\,\mu J,$$ what is the energy stored in the magnetic field ?
40.
A coil of 40 henry inductance is connected in series with a resistance of 8 ohm and the combination is joined to the terminals of a 2 volt battery. The time constant of the circuit is