At steady state, there is no current in capacitor.
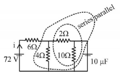
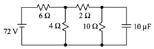
$$2\Omega $$ and $$10\Omega $$ are in series. There equivalent resistance is $$12\Omega .$$ This $$12\Omega $$ is in parallel with $$4\Omega $$ and there combined resistance is $$\frac{{12 \times 4}}{{\left( {12 + 4} \right)}}.$$ This resistance is in series with $$6\Omega .$$
Therefore, current drawn from battery
$$i = \frac{V}{R} = \left( {\frac{{72}}{{6 + \frac{{12 \times 4}}{{12 + 4}}}}} \right) = 8A$$

Current in $$10\Omega $$ resistor
$$i' = \left( {\frac{4}{{4 + 12}}} \right)8 = 2A$$
$$Pd$$ across capacitor, $$V = i'R = 2 \times 10 = 20V$$
∴ Charge on the capacitor, $$q = CV$$
$$ = 10 \times 20 = 200\mu C.$$