Kirchhoff’s law states that the algebraic sum of currents meeting at a point (say at a junction) is equals to zero i.e.,
$$\sum i = 0$$
or $$i = {i_1} + {i_2} + {i_3}$$
$$\eqalign{
& \frac{{dQ}}{{dt}} = \frac{{d{Q_1}}}{{dt}} + \frac{{d{Q_2}}}{{dt}} + \frac{{d{Q_3}}}{{dt}} \cr
& {\text{or}}\,\,dQ = d{Q_1} + d{Q_2} + d{Q_3} \cr} $$
So, we can say that when a steady current flows through circuit, then neither accumulation of charges takes place at the junction in the circuit nor any charge is removed from there. That’s why Kirchhoff's first law deals with the conservation of charge.
232.
In a Wheatstone bridge resistance of each of the four sides is $$10\,\Omega .$$ If the resistance of the galvanometer is also $$10\,\Omega ,$$ then effective resistance of the bridge will be
The given circuit can be shown as,
From figure, $$\frac{P}{Q} = \frac{{10}}{{10}} = 1$$
$$\eqalign{
& \frac{R}{S} = \frac{{10}}{{10}} = 1 \cr
& \therefore \frac{P}{Q} = \frac{R}{S} \cr} $$
Hence, Wheatstone bridge is balanced.
Therefore, the galvanometer will be ineffective. The above Wheatstone bridge can be redrawn as
Resistances $$P$$ and $$Q$$ are in series, so
$$R' = 10 + 10 = 20\,\Omega $$
Resistances $$R$$ and $$S$$ are in series, so
$$R'' = 10 + 10 = 20\,\Omega $$
Now, $${R'}$$ and $${R''}$$ are in parallel hence, net resistance of the circuit
$$ = \frac{{R' \times R''}}{{R' + R''}} = \frac{{20 \times 20}}{{20 + 20}} = 10\,\Omega $$
233.
If a wire is stretched to make it 0.1% longer, its resistance will:
Resistance of wire
$$R = \frac{{\rho l}}{A} = \frac{{\rho {l^2}}}{C}\left( {{\text{where}}\,Al = C} \right)$$
∴ Fractional change in resistance
$$\frac{{\Delta R}}{R} = 2\frac{{\Delta l}}{l}$$
∴ Resistance will increase by 0.2%
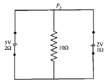
234.
A $$5V$$ battery with internal resistance $$2\,\Omega $$ and a $$2V$$ battery with internal resistance $$1\,\Omega $$ are connected to a $$10\,\Omega $$ resistor as shown in the figure.
The current in the $$10\,\Omega $$ resistor is
Applying kirchoff's loop law in $$AB{P_2}{P_1}A$$ we get
$$ - 2i + 5 - 10\,{i_1} = 0\,......\left( {\text{i}} \right)$$
Again applying kirchoff’s loop law in $${P_2}CD{P_1}{P_2}$$ we get, $$10\,{i_1} + 2 - i + {i_1} = 0\,......\left( {{\text{ii}}} \right)$$
From (i) and (ii) $$11{i_1} + 2 - \left[ {\frac{{5 - 10{i_1}}}{2}} \right] = 0$$
$$ \Rightarrow {i_1} = \frac{1}{{32}}\,A\,{\text{from}}\,{P_2}\,{\text{to}}\,{P_1}$$
235.
In a Wheatstone bridge, all the four arms have equal resistance $$R.$$ If the resistance of the galvanometer arm is also $$R,$$ the equivalent resistance of the combination as seen by the battery is
$$\frac{{{R_{AB}}}}{{{R_{BC}}}} = \frac{{{R_{AD}}}}{{{R_{DC}}}}$$
As bridge is in balanced condition, no current will flow through $$BD.$$
$$\eqalign{
& {R_1} = {R_{AB}} + {R_{BC}} \cr
& = R + R \cr
& = 2\,R \cr
& {R_2} = {R_{AD}} + {R_{CD}} \cr
& = R + R \cr
& = 2\,R \cr} $$
$${R_1}$$ and $${R_2}$$ are in parallel combination.
Hence, equivalent resistance between $$A$$ and $$C$$ will be
$$\therefore {R_{{\text{eq}}}} = \frac{{{R_1}{R_2}}}{{{R_1} + {R_2}}} = \frac{{4{R^2}}}{{4R}} = R$$
236.
A capacitor is charged using an external battery with a resistance $$x$$ in series. The dashed line shows the variation of In $$I$$ with respect to time. If the resistance is changed to $$2x,$$ the new graph will be
KEY CONCEPT : The current in $$RC$$ circuit is given by $$I = {I_0}{e^{ - \frac{t}{{RC}}}}$$
$$\eqalign{
& {\text{or}}\,lnI = ln{I_0} - \frac{t}{{RC}}{\text{ or }}lnI = \left( {\frac{{ - t}}{{RC}}} \right) + ln{I_0} \cr
& lnI = \left( {\frac{{ - t}}{{RC}}} \right) + ln\left( {\frac{{{E_0}}}{R}} \right) \cr} $$
On comparing with $${\text{ }}y = mx + C$$
$${\text{Intercept }} = ln\left( {\frac{{{E_0}}}{R}} \right){\text{ and slope }} = - \frac{1}{{RC}}$$
When $$R$$ is changed to $$2R$$ then slope increases and current becomes less. New graph is $$Q.$$
In discharge tube, the current is due to flow of positive ions and electrons. Moreover, secondary emission of electrons is also possible. So, $$V-I$$ curve is non-linear, hence its resistance is non-ohmic.
238.
A moving coil galvanometer of resistance $$100\,\Omega $$ is used as an ammeter using a resistance $$0.1\,\Omega .$$ The maximum deflection current in the galvanometer is $$100\,\mu A.$$ Find the minimum current in the circuit so that the ammeter shows maximum deflection
Thermistors are usually made of metaloxides with high temperature coefficient of resistivity.
240.
A cell has an emf $$1.5\,V.$$ When connected across an external resistance of $$2\,\Omega ,$$ the terminal potential difference falls to $$1.0\,V.$$ The internal resistance of the cell is