211. The mass of product liberated on anode in an electrochemical cell depends on
(where $$t$$ is the time period for which the current is passed).

A $${\left( {It} \right)^{\frac{1}{2}}}$$
B $$It$$
C $$\frac{I}{t}$$
D $${I^2}t$$
Answer :   $$It$$
Discuss Question

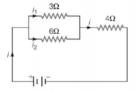
212. Current through $$3\,\Omega $$  resistor is $$0.8\,A,$$  then potential drop through $$4\,\Omega $$  resistor is
Electric Current mcq question image

A $$9.6\,V$$
B $$2.6\,V$$
C $$4.8\,V$$
D $$1.2\,V$$
Answer :   $$4.8\,V$$
Discuss Question

213. A battery is charged at a potential of $$15\,V$$  for $$8\,h$$  when the current flowing is $$10\,A.$$  The battery on discharge supplies a current of $$5\,A$$  for $$15\,h.$$  The mean terminal voltage during discharge is $$14\,V.$$  The watt-hour efficiency of the battery is

A $$82.5\% $$
B $$80\% $$
C $$90\% $$
D $$87.5\% $$
Answer :   $$87.5\% $$
Discuss Question

214. Potentiometer measures the potential difference more accurately than a voltmeter, because

A it has a wire of high resistance
B it has a wire of low resistance
C it does not draw current from external circuit
D it draws a heavy current from external circuit
Answer :   it does not draw current from external circuit
Discuss Question

215. A wire when connected to $$220 V$$ mains supply has power dissipation $${P_1}.$$ Now the wire is cut into two equal pieces which are connected in parallel to the same supply. Power dissipation in this case is $${P_2}.$$ Then $${P_2}:{P_1}$$  is

A 1
B 4
C 2
D 3
Answer :   4
Discuss Question

216. An energy source will supply a constant current into the load if its internal resistance is

A very large as compared to the load resistance
B equal to the resistance of the load
C non-zero but less than the resistance of the load
D zero
Answer :   zero
Discuss Question

217. A heater coil is cut into two equal parts and only one part is now used in the heater. The heat generated will now be

A four times
B doubled
C halved
D one fourth
Answer :   doubled
Discuss Question

218. The length of a wire of a potentiometer is $$100\,cm,$$  and the e. m.f. of its standard cell is $$E$$ volt. It is employed to measure the e.m.f. of a battery whose internal resistance is $$0.5\,\Omega $$. If the balance point is obtained at $$1 = 30 cm$$   from the positive end, the e.m.f. of the battery is:
(where $$i$$ is the current in the potentiometer wire.)

A $$\frac{{30E}}{{100.5}}$$
B $$\frac{{30E}}{{\left( {100 - 0.5} \right)}}$$
C $$\frac{{30\left( {E - 0.5i} \right)}}{{100}}$$
D $$\frac{{30E}}{{100}}$$
Answer :   $$\frac{{30E}}{{100}}$$
Discuss Question

219. In a Wheatstone's bridge, three resistances $$P, Q$$  and $$R$$ connected in the three arms and the fourth arm is formed by two resistances $${S_1}$$ and $${S_2}$$ connected in parallel. The condition for the bridge to be balanced will be

A $$\frac{P}{Q} = \frac{{2R}}{{{S_1} + {S_2}}}$$
B $$\frac{P}{Q} = \frac{{R\left( {{S_1} + {S_2}} \right)}}{{{S_1}{S_2}}}$$
C $$\frac{P}{Q} = \frac{{R\left( {{S_1} + {S_2}} \right)}}{{2{S_1}{S_2}}}$$
D $$\frac{P}{Q} = \frac{R}{{{S_1} + {S_2}}}$$
Answer :   $$\frac{P}{Q} = \frac{{R\left( {{S_1} + {S_2}} \right)}}{{{S_1}{S_2}}}$$
Discuss Question

220. A primary cell has an e.m.f. of 1.5 volt. When short-circuited it gives a current of 3 ampere. The internal resistance of the cell is

A $$4.5\,ohm$$
B $$2\,ohm$$
C $$0.5\,ohm$$
D $$\left( {\frac{1}{{4.5}}} \right){\text{ohm}}$$
Answer :   $$0.5\,ohm$$
Discuss Question


Practice More MCQ Question on Physics Section