21. A series $$LR$$  circuit is connected to an $$ac$$  source of frequency $$\omega $$ and the inductive reactance is equal to $$2R.$$  A capacitance of capacitive reactance equal to $$R$$ is added in series with $$L$$ and $$R.$$ The ratio of the new power factor to the old one is

A $$\sqrt {\frac{2}{3}} $$
B $$\sqrt {\frac{2}{5}} $$
C $$\sqrt {\frac{3}{2}} $$
D $$\sqrt {\frac{5}{2}} $$
Answer :   $$\sqrt {\frac{5}{2}} $$
Discuss Question

22. In the given circuit, the reading of voltmeter $${V_1}$$ and $${V_2}$$ are $$300\,V$$  each. The reading to the voltmeter $${V_3}$$ and ammeter $$A$$ are respectively
Alternating Current mcq question image

A $$150\,V,2.2\,A$$
B $$220\,V,2.2\,A$$
C $$220\,V,2.0\,A$$
D $$100\,V,2.0\,A$$
Answer :   $$220\,V,2.2\,A$$
Discuss Question

23. Power dissipated in an $$L-C-R$$   series circuit connected to an $$AC$$  source of emf $$\varepsilon $$ is

A $$\frac{{{\varepsilon ^2}R}}{{\left[ {{R^2} + {{\left( {L\omega - \frac{1}{{C\omega }}} \right)}^2}} \right]}}$$
B $$\frac{{{\varepsilon ^2}\sqrt {{R^2} + {{\left( {L\omega - \frac{1}{{C\omega }}} \right)}^2}} }}{R}$$
C $$\frac{{{\varepsilon ^2}\left[ {{R^2} + {{\left( {L\omega - \frac{1}{{C\omega }}} \right)}^2}} \right]}}{R}$$
D $$\frac{{{\varepsilon ^2}R}}{{\sqrt {{R^2} + {{\left( {L\omega - \frac{1}{{C\omega }}} \right)}^2}} }}$$
Answer :   $$\frac{{{\varepsilon ^2}R}}{{\left[ {{R^2} + {{\left( {L\omega - \frac{1}{{C\omega }}} \right)}^2}} \right]}}$$
Discuss Question

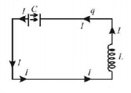
24. In the $$LC$$  circuit, the current is in the direction shown and the charges on the capacitor plates have the signs shown. At this time
Alternating Current mcq question image

A $$I$$ is increasing and $$Q$$ is increasing
B $$I$$ is increasing and $$Q$$ is decreasing
C $$I$$ is decreasing and $$Q$$ is increasing
D $$I$$ is decreasing and $$Q$$ is decreasing
Answer :   $$I$$ is increasing and $$Q$$ is decreasing
Discuss Question

25. A series $$R-C$$  circuit is connected to an alternating voltage source. Consider two situations :
1. When capacitor is air filled.
2. When capacitor is mica filled.
Current through resistor is $$i$$ and voltage across capacitor is $$V$$ then

A $${V_a} < {V_b}$$
B $${V_a} > {V_b}$$
C $${i_a} > {i_b}$$
D $${V_a} = {V_b}$$
Answer :   $${V_a} > {V_b}$$
Discuss Question

26. When the $$rms$$  voltages $${V_L},{V_C}$$  and $${V_R}$$ are measured respectively across the inductor $$L,$$ the capacitor $$C$$ and the resistor $$R$$ in a series $$LCR$$  circuit connected to an $$AC$$  source, it is found that the ratio $${V_L}:{V_C}:{V_R} = 1:2:3.$$     If the $$rms$$  voltage of the $$AC$$  sources is $$100\,V,$$  the $${V_R}$$ is close to :

A $$50\,V$$
B $$70\,V$$
C $$90\,V$$
D $$100\,V$$
Answer :   $$90\,V$$
Discuss Question

27. An arc lamp requires a direct current of $$10 A$$  at $$80 V$$ to function. If it is connected to a $$220V\left( {rms} \right),50Hz\,AC$$     supply, the series inductor needed for it to work is close to :

A $$0.044 H$$
B $$0.065 H$$
C $$80 H$$
D $$0.08 H$$
Answer :   $$0.065 H$$
Discuss Question

28. In a circuit inductance $$L$$ and capacitance $$C$$ are connected as shown in figure. $${A_1}$$ and $${A_2}$$ are ammeters. When key $$K$$ is pressed to complete the circuit, then just after closing key $$\left( K \right),$$  the reading of current will be
Alternating Current mcq question image

A Zero in both $${A_1}$$ and $${A_2}$$
B maximum in both $${A_1}$$ and $${A_2}$$
C zero in $${A_1}$$ and maximum in $${A_2}$$
D maximum in $${A_1}$$ and zero in $${A_2}$$
Answer :   maximum in $${A_1}$$ and zero in $${A_2}$$
Discuss Question

29. In a $$LCR$$  circuit capacitance is changed from $$C$$ to $$2C.$$  For the resonant frequency to remain unchanged, the inductance should be change from $$L$$ to

A $$4L$$
B $$2L$$
C $$\frac{L}{2}$$
D $$\frac{L}{4}$$
Answer :   $$\frac{L}{2}$$
Discuss Question

30. In an $$LCR$$  circuit as shown below both switches are open initially. Now switch $${S_1}$$ is closed, $${S_2}$$ kept open. ($$q$$ is charge on the capacitor and $$\tau = RC$$  is Capacitive time constant). Which of the following statements is correct ?
Alternating Current mcq question image

A At, $$t = 0,q = CV\left( {1 - e} \right)$$
B At, $$t = \tau ,q = \frac{{CV}}{2}$$
C At, $$t = 2\tau ,q = CV\left( {1 - {e^{ - 2}}} \right)$$
D At, $$t = 2\tau ,q = CV\left( {1 - {e^{ - 1}}} \right)$$
Answer :   At, $$t = 2\tau ,q = CV\left( {1 - {e^{ - 2}}} \right)$$
Discuss Question


Practice More MCQ Question on Physics Section