21.
A long solenoid of diameter $$0.1\,m$$ has $$2 \times {10^4}$$ turns per metre. At the centre of the solenoid, a coil of 100 turns and radius $$0.01\,m$$ is placed with its axis coinciding with the solenoid axis. The current in the solenoid reduces at a constant rate to $$0\,A$$ from $$4\,A$$ in $$0.05\,s.$$ If the resistance of the coil is $$10\,{\pi ^2}\Omega ,$$ the total charge flowing through the coil during this time is
Current induced in the coil is given by
$$\eqalign{
& i = \frac{1}{R}\left( {\frac{{d\phi }}{{dt}}} \right) \cr
& \Rightarrow \frac{{\Delta q}}{{\Delta t}} = \frac{1}{R}\left( {\frac{{\Delta \phi }}{{\Delta t}}} \right) \cr} $$
Given, resistance of the solenoid,
$$R = 10\,{\pi ^2}\Omega $$
Radius of second and coil $$r = {10^{ - 2}}$$
$$\Delta t = 0.05s,\Delta i = 4 - 0 = 4\,A$$
Charge flowing through the coil is given by
$$\eqalign{
& \Delta q = \left( {\frac{{\Delta \phi }}{{\Delta t}}} \right)\frac{1}{R}\left( {\Delta t} \right) \cr
& = {\mu _0}{N_1}{N_2}\pi {r^2}\left( {\frac{{\Delta i}}{{\Delta t}}} \right)\frac{1}{R}\Delta t \cr
& = 4\pi \times {10^{ - 7}} \times 2 \times {10^4} \times 100 \times \pi \times {\left( {{{10}^{ - 2}}} \right)^2} \times \left( {\frac{4}{{0.05}}} \right) \times \frac{1}{{10{\pi ^2}}} \times 0.05 \cr
& = 32 \times {10^{ - 6}}C = 32\,\mu C \cr} $$
22.
The figure shows certain wire segments joined together to form a coplanar loop. The loop is placed in a perpendicular magnetic field in the direction going into the plane of the figure. The magnitude of the field increases with time. $${I_1}$$ and $${I_2}$$ are the currents in the segments $$ab$$ and $$cd.$$ Then,
A
$${I_1} > {I_2}$$
B
$${I_1} < {I_2}$$
C
$${I_1}$$ is in the direction $$ba$$ and $${I_2}$$ is in the direction $$cd$$
D
$${I_1}$$ is in the direction $$ab$$ and $${I_2}$$ is in the direction $$dc$$
Answer :
$${I_1}$$ is in the direction $$ab$$ and $${I_2}$$ is in the direction $$dc$$
The magnetic field is increasing in the downward direction. Therefore, according to Lenz’s law the current $${I_1}$$ will flow in the direction $$ab$$ and $${I_2}$$ in the direction $$dc.$$
23.
A circular disc of radius $$0.2\,m$$ is placed in a uniform magnetic field of induction $$\frac{1}{\pi }\left( {Wb/{m^2}} \right)$$ in such a way that its axis makes an angle of $${60^ \circ }$$ with $$B.$$ The magnetic flux linked with the disc is
24.
A nonconducting ring of mass $$m$$ and radius $$R$$ has a charge $$Q$$ uniformly distributed over its circumference. The ring is placed on a rough horizontal surface such that the plane of the ring is parallel to the surface. A vertical magnetic field $$B = {B_0}{t^2}$$ tesla is switched on. After $$2$$ second from switching on the magnetic field the ring is just about to rotate about vertical axis through its centre. Then
A
the induced electric field is quadratic in time $$t$$
B
the force tangential to the ring is $$9{B_0}QRt$$
C
until $$2$$ seconds, the friction force does not come into play
D
the friction coefficient between the ring and the surface is $$\frac{{2{B_0}RQ}}{{mg}}$$
Answer :
the friction coefficient between the ring and the surface is $$\frac{{2{B_0}RQ}}{{mg}}$$
Magnitude of induced electric field due to change in magnetic flux is given by
$$\eqalign{
& \oint {\vec E.d\vec \ell = \frac{{d\phi }}{{dt}} = A\frac{{dB}}{{dt}}\left( {\because N = 1\,{\text{and}}\,\cos \theta = 1} \right)} \cr
& {\text{or}}\,\,E.\ell = \pi {R^2}\left( {2{B_0}t} \right)\left( {\frac{{dB}}{{dt}} = 2{B_0}t} \right) \cr} $$
Here, $$E$$ = induced electric field due to change in magnetic flux
$$\eqalign{
& E\left( {2\pi R} \right) = 2\pi {R^2}{B_0}t \cr
& {\text{or}}\,\,E = {B_0}Rt \cr} $$
Hence, $$F = QE = {B_0}QRt$$
This force is tangential toring. Ring starts rotating when torque of this force is greater than the torque due to maximum friction $$\left( {{f_{\max }} = \mu mg} \right)$$
or when $${\tau _F} \geqslant {\tau _{{f_{\max }}}}$$
Taking the limiting case, $${\tau _F} \geqslant {\tau _{{f_{\max }}}}\,{\text{or}}\,F.R = \left( {\mu mg} \right)R$$
It is given that ring starts rotating after 2 seconds.
So, putting $$t = 2$$ seconds, we get $$\mu = \frac{{2{B_0}RQ}}{{mg}}$$
25.
In an oscillating $$LC$$ circuit the maximum charge on the capacitor is $$Q.$$ The charge on the capacitor when the energy is stored equally between the electric and magnetic field is
When the capacitor is completely charged, the total energy in the $$L.C$$ circuit is with the capacitor and that energy is
$$E = \frac{1}{2}\frac{{{Q^2}}}{C}$$
When half energy is with the capacitor in the form of electric field between the plates of the capacitor we get
$$\frac{E}{2} = \frac{1}{2}\frac{{Q{'^2}}}{C}$$ where $$Q'$$ is the charge on one plate of the capacitor
$$\therefore \frac{1}{2} \times \frac{1}{2}\frac{{{Q^2}}}{C} = \frac{1}{2}\frac{{Q{'^2}}}{C} \Rightarrow Q' = \frac{Q}{{\sqrt 2 }}$$
26.
A circular coil is radius $$5\,cm$$ has $$500$$ turns of a wire. The approximate value of the coefficient of self induction of the coil will be-
$$\phi = Li \Rightarrow NBA = Li$$
Since magnetic field at the centre of circular coil carrying current is given by
$$\eqalign{
& B = \frac{{{\mu _0}}}{{4\pi }},\frac{{2\pi Ni}}{r} \cr
& \therefore N.\frac{{{\mu _0}}}{{4\pi }}.\frac{{2\pi Ni}}{r}.\pi {r^2} = Li \cr
& \Rightarrow L = \frac{{{\mu _0}{N^2}\pi r}}{2} \cr} $$
Hence self inductance of a coil
$$\frac{{4\pi \times {{10}^{ - 7}} \times 500 \times 500 \times \pi \times 0.05}}{2} = 25\,mH$$
27.
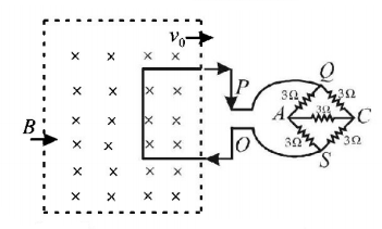
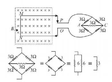
A square metal wire loop of side $$10\,cm$$ and resistance 1 ohm is moved with a constant velocity $${v_0}$$ in a uniform magnetic field of induction $$B = 2\,{\text{weber}}/{m^2}$$ as shown in the figure. The magnetic field lines are perpendicular to the plane of the loop (directed into the paper). The loop is connected to a network of resistors each of value 3 ohms. The resistances of the lead wires $$OS$$ and $$PQ$$ are negligible. What should be the speed of the loop so as to have a steady current of 1 milliampere in the loop ? Give the direction of current in the loop.
Eddy currents are set up inside the plate and the direction of current opposes the motion of the metallic plate swings between the poles of a magnet.
29.
A metallic rod of length $$'\ell '$$ is tied to a string of length $$2\ell $$ and made to rotate with angular speed $$\omega $$ on a horizontal table with one end of the string fixed. If there is a vertical magnetic field $$'B'$$ in the region, the e.m.f. induced across the ends of the rod is
30.
A rectangular coil of length $$0.12\,m$$ and width $$0.1\,m$$ having 50 turns of wire is suspended vertically in a uniform magnetic field of strength $$0.2\,Wb/{m^2}.$$ The coil carries a current of $$2\,A.$$ If the plane of the coil is inclined at an angle of $${30^ \circ }$$ with the direction of the field, the torque required to keep the coil in stable equilibrium will be