The capacitance of a parallel plate capacitor in which a metal plate of thickness $$t$$ is inserted is given by
$$C = \frac{{{\varepsilon _0}A}}{{d - t}}.\,{\text{Here}}\,\,t \to 0\,\therefore C = \frac{{{\varepsilon _0}A}}{d}$$
62.
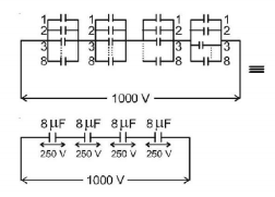
A capacitance of $$2\mu F$$ is required in an electrical circuit across a potential difference of $$1.0 kV.$$ A large number of $$1\mu F$$ capacitors are available which can withstand a potential difference of not more than $$300 V.$$ The minimum number of capacitors required to achieve this is
To get a capacitance of 2 $$\mu F$$ arrangement of capacitors of capacitance $$1\mu F$$ as shown in figure 8 capacitors of $$1\mu F$$ in parallel with four such branches in series ie., 32 such capacitors are required.
$$\frac{1}{{{C_{eq}}}} = \frac{1}{8} + \frac{1}{8} + \frac{1}{8} + \frac{1}{8}\,\,\,\,\,\,\,\,\,\,\,\therefore \frac{1}{{{C_{eq}}}} = 2\mu F$$
63.
Two condensers, one of capacity $$C$$ and the other of capacity $$\frac{C}{2},$$ are connected to a $$V$$ volt battery, as shown.
The work done in charging fully both the condensers is
The two condensers in the circuit are in parallel order, hence $$C' = C + \frac{C}{2} = \frac{{3C}}{2}$$
The work done in charging the equivalent capacitor is stored in the form of potential energy.
Hence, $$W = U = \frac{1}{2}C{V^2}$$
So, for the equivalent capacitor $${C'}$$
$$\eqalign{
& = \frac{1}{2}\left( {\frac{{3C}}{2}} \right){V^2}\,\,\left( {C' = \frac{{3C}}{2}} \right) \cr
& = \frac{3}{4}C{V^2} \cr} $$
64.
Capacitance (in $$F$$ ) of a spherical conductor with radius $$1\,m$$ is
65.
A parallel plate air capacitor of capacitance $$C$$ is connected to a cell of emf $$V$$ and then disconnected from it. A dielectric slab of dielectric constant $$K,$$ which can just fill the air gap of the capacitor, is now inserted in it. Which of the following is incorrect?
A
The potential difference between the plates decreases $$K$$ times
B
The energy stored in the capacitor decreases $$K$$ times
C
The change in energy stored is $$\frac{1}{2}C{V^2}\left( {\frac{1}{K} - 1} \right)$$
D
The charge on the capacitor is not conserved
Answer :
The charge on the capacitor is not conserved
When a parallel plate air capacitor connected to a cell of emf $$V,$$ then charge stored will be $$q = CV \Rightarrow V = \frac{q}{C}$$
Also energy stored is $$U = \frac{1}{2}C{V^2} = \frac{{{q^2}}}{{2C}}$$
As the battery is disconnected from the capacitor the charge will not be destroyed, i.e. $$q' = q$$ with the introduction of dielectric in the gap of capacitor the new capacitance will be $$C' = CK \Rightarrow V' = \frac{q}{{C'}} = \frac{q}{{CK}}$$
The new energy stored will be
$$\eqalign{
& U' = \frac{{{q^2}}}{{2CK}} \Rightarrow \Delta U = U' - U \cr
& = \frac{{{q^2}}}{{2C}}\left( {\frac{1}{K} - 1} \right) \cr
& = \frac{1}{2}C{V^2}\left( {\frac{1}{K} - 1} \right) \cr} $$
Hence, option (D) is incorrect
66.
A combination of parallel plate capacitors is maintained at a certain potential difference.
When a $$3\,mm$$ thick slab is introduced between all the plates, in order to maintain the same potential difference, the distance between the plates is increased by $$2.4\,mm.$$
Find the dielectric constant of the slab.
Before introducing a slab capacitance of plates
$${C_1} = \frac{{{\varepsilon _0}A}}{3}$$
If a slab of dielectric constant $$K$$ is introduced between plates then
$$C = \frac{{K{\varepsilon _0}A}}{d}\,{\text{then}}\,{{C'}_1} = \frac{{{\varepsilon _0}A}}{{2.4}}$$
$${C_1}$$ and $${{C'}_1}$$ are in series hence,
$$\eqalign{
& \frac{{{\varepsilon _0}A}}{3} = \frac{{k\frac{{{\varepsilon _0}A}}{3}.\frac{{{\varepsilon _0}A}}{{2.4}}}}{{k\frac{{{\varepsilon _0}A}}{3} + \frac{{{\varepsilon _0}A}}{{2.4}}}} \cr
& 3\,k = 2.4\,k + 3 \cr
& 0.6\,k = 3 \cr} $$
Hence, the dielectric constant of slap is given by, $$k = \frac{{30}}{6} = 5$$
67.
A series combination of $${n_1}$$ capacitors, each of value $${C_1},$$ is charged by a source of potential difference $$4V.$$ When another parallel combination of $${n_2}$$ capacitors, each of value $${C_2},$$ is charged by a source of potential difference $$V,$$ it has the same (total) energy stored in it, as the first combination has. The value of $${C_2},$$ in terms of $${C_1},$$ is then
I
When the capacitors are joined in series,
$${U_{{\text{series}}}} = \frac{1}{2}\frac{{{C_1}}}{{{n_1}}}{\left( {4V} \right)^2}$$ II
When the capacitors are joined in parallel,
$${U_{{\text{parallel}}}} = \frac{1}{2}\left( {{n_2}{C_2}} \right){V^2}$$
Given, $${U_{{\text{series}}}} = {U_{{\text{parallel}}}}$$
So, $$\frac{1}{2}\frac{{{C_1}}}{{{n_1}}}{\left( {4V} \right)^2} = \frac{1}{2}\left( {{n_2}{C_2}} \right){V^2}$$
$$ \Rightarrow {C_2} = \frac{{16{C_1}}}{{{n_2}{n_1}}}$$
68.
Eight drops of mercury of equal radii possessing equal charges combine to form a big drop. Then the capacitance of bigger drop compared to each individual small drop is
Volume of 8 small drops = Volume of big drop
$$8 \times \frac{4}{3}\pi {R^3} = \frac{4}{3}\pi {R^3} \Rightarrow R = 2r$$
As capacity is proportional to $$r,$$ hence capacity becomes 2 times.
69.
To obtain $$3\,\mu F$$ capacity from three capacitors of $$2\,\mu F$$ each, they will be arranged.
A
all the three in series
B
all the three in parallel
C
two capacitors in series and the third in parallel with the combination of first two
D
two capacitors in parallel and the third in series with the combination of first two
Answer :
two capacitors in series and the third in parallel with the combination of first two
70.
A parallel plate condenser has a uniform electric field $$E\left( {\frac{V}{m}} \right)$$ in the space between the plates. If the distance between the plates is $$d\left( m \right)$$ and area of each plate is $$A\left( {{m^2}} \right),$$ the energy (joule) stored in the condenser is
As we know that the energy stored in the capacitor is given by,
$$\eqalign{
& U = \frac{1}{2}C{V^2}\left[ {_{V = \,\,{\text{voltage across the plate}}}^{C = \,\,{\text{capacitance of capacitor}}}} \right] \cr
& U = \frac{1}{2}\left( {\frac{{A{\varepsilon _0}}}{d}} \right){\left( {Ed} \right)^2}\,\,\,\,\left( {\because C = \frac{{{\varepsilon _0}A}}{d}\,\,{\text{and}}\,\,V = Ed} \right) \cr
& U = \frac{1}{2}\frac{{{\varepsilon _0}A}}{d}{\left( {Ed} \right)^2},\,\,U = \frac{1}{2}{\varepsilon _0}{E^2}Ad \cr} $$