51.
A network of four capacitors of capacity equal to $${C_1} = C,{C_2} = 2C,{C_3} = 3C$$ and $${C_4} = 4C$$ are connected to a battery as shown in the figure. The ratio of the charges on $${C_2}$$ and $${C_4}$$ is
The charge flowing through $${C_4}$$ is
$${q_4} = {C_4} \times V = 4CV$$
The series combination of $${C_1},{C_2}$$ and $${C_3}$$ gives
$$\eqalign{
& \frac{1}{{{C_{{\text{eq}}}}}} = \frac{1}{C} + \frac{1}{{2C}} + \frac{1}{{3C}} \cr
& = \frac{{6 + 3 + 2}}{{6C}} = \frac{{11}}{{6C}} \Rightarrow {C_{{\text{eq}}}} = \frac{{6C}}{{11}} \cr} $$
Charge flowing through capacitors $${C_1},{C_2}$$ and $${C_3}$$ will be same as they are in series.
So, $${q_1}$$ flowing through $${C_1},{C_2}$$ and $${C_3}$$ is given by
$${q_1} = {C_{{\text{eq}}}}V = \frac{{6C}}{{11}} \times V$$
Now, ratio of charge on $${C_4}$$ and $${C_2}$$ is given by,
$$\frac{{{q_4}}}{{{q_1}}} = \frac{{4CV \times 11}}{{6CV}} = \frac{{22}}{3}$$
52.
A parallel plate capacitor of capacitance $$C$$ is connected to a battery and is charged to a potential difference $$V.$$ Another capacitor of capacitance $$2C$$ is similarly charged to a potential difference $$2V.$$ The charging battery is now disconnected and the capacitors are connected in parallel to each other in such a way that the positive terminal of one is connected to the negative terminal of the other. The final energy of the configuration is
$$C$$ and $$2C$$ are in parallel to each other.
$$\therefore $$ Resultant capacity $$ = \left( {2C + C} \right)$$ $${C_R} = 3C$$
Net potential = $$2V - V$$
$${V_R} = V$$
$$\therefore $$ Final energy = $$\frac{1}{2}{C_R}{\left( {VR} \right)^2} = \frac{1}{2}\left( {3C} \right){\left( V \right)^2} = \frac{3}{2}C{V^2}$$
53.
In figure, there is a four way key at the middle. If key is shown from situation $$BD$$ to $$AD,$$ then how much charge will flow through point $$O$$ ?
When key is on the position $$BD,$$ the situation is shown in the figure.
When key is on the position $$AD,$$ the situation is shown in the figure.
The charge flows to each capacitor is $$36\,\mu C,$$ and so total charge flows through point $$O$$ is $$72\,\mu C.$$
54.
A small signal voltage $$V\left( t \right) = {V_0}\sin \omega t$$ is applied across an ideal capacitor $$C$$
A
over a full cycle the capacitor $$C$$ does not consume any energy from the voltage source
B
current $$l\left( t \right)$$ is in phase with voltage $$V\left( t \right)$$
C
current $$l\left( t \right)$$ leads voltage $$V\left( t \right)$$ by $${180^ \circ }$$
D
current $$l\left( t \right),$$ lags voltage $$V\left( t \right)$$ by $${90^ \circ }$$
Answer :
over a full cycle the capacitor $$C$$ does not consume any energy from the voltage source
For an $$AC$$ circuit containing capacitor only, the phase difference between current and voltage will be $$\frac{\pi }{2}\left( {{\text{i}}{\text{.e}}{\text{.}}\,{{90}^ \circ }} \right).$$
In this case current is ahead of voltage by $$\frac{\pi }{2}.$$
Hence, power in this case is given by $$P = VI\cos \phi $$ ($$\phi = $$ phase difference between voltage and current)
$$P = VI\cos {90^ \circ } = 0$$
55.
The capacitance of a metallic sphere is $$1\,\mu F,$$ then it's radius is nearly
56.
A parallel plate capacitor of capacitance $$90pF$$ is connected to a battery of emf $$20V.$$ If a dielectric material of dielectric constant $$k = \frac{5}{3}$$ is inserted between the plates, the magnitude of the induced charge will be:
57.
A parallel plate capacitor with air between the plates has
capacitance of 9 $$pF.$$ The separation between its plates is
$$'d'.$$ The space between the plates is now filled with two
dielectrics. One of the dielectrics has dielectric constant $${k_1} = 3$$ and thickness $${\frac{d}{3}}$$ while the other one has dielectric constant $${k_2} = 6$$ and thickness $$\frac{{2d}}{3}.$$ Capacitance of the capacitor is now
The given capacitance is equal to two capacitances connected in series where
$${C_1} = \frac{{{k_1}{ \in _0}A}}{{\frac{d}{3}}} = \frac{{3{k_1}{ \in _0}A}}{d}\quad \frac{{3 \times 3{ \in _0}A}}{d} = \frac{{9{ \in _0}A}}{d}$$
and
$${C_2} = \frac{{{k_2}{ \in _0}A}}{{\frac{{2d}}{3}}} = \frac{{3{k_2}{ \in _0}A}}{{2d}}\quad \frac{{3 \times 6{ \in _0}A}}{{2d}} = \frac{{9{ \in _0}A}}{d}$$
The equivalent capacitance $${C_{eq}}$$ is
$$\eqalign{
& \frac{1}{{{C_{{\text{eq}}}}}} = \frac{1}{{{C_1}}} + \frac{1}{{{C_2}}} = \frac{d}{{9{ \in _0}A}} + \frac{d}{{9{ \in _0}A}} = \frac{{2d}}{{9{ \in _0}A}} \cr
& \therefore {C_{eq}} = \frac{9}{2}\frac{{{ \in _0}A}}{d} = \frac{9}{2} \times 9pF = 40.5pF \cr} $$
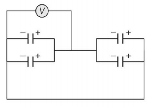
58.
The four capacitors, each of $$25\mu F$$ are connected as shown in figure. The $$DC$$ voltmeter reads $$200\,V.$$ The charge on each plate of capacitor is
As from the given diagram, potential difference across each capacitor is $$200\,V.$$
So, charge on each plate of capacitor is given by
$$\eqalign{
& Q = \pm CV\,\,\left[ {_{V = \,\,{\text{voltage or potential difference across the capactor}}}^{C = \,\,{\text{capacitance of capacitor}}}} \right] \cr
& = \pm 25 \times {10^{ - 6}} \times 200 = \pm 5 \times {10^{ - 3}}C \cr} $$
59.
What is the effective capacitance between points $$X$$ and $$Y$$?
By symmetry $${C_5} = 10\,\mu F$$
Capacitor between $$B$$ and $$C$$ can be removed
so, now $${C_{{\text{eq}}}} = \frac{{8 \times 8}}{{8 + 8}} + \frac{{8 \times 8}}{{8 + 8}} = 8\,\mu F$$
60.
A $$4\mu F$$ capacitor is charged to $$400\,V$$ and then its plates are joined through a resistance of $$1\,k\Omega .$$ The heat produced in the resistance is
The energy stored in the capacitor $$ = \frac{1}{2}C{V^2}.$$
This energy will be converted into heat in the resistor.
∴ Heat produced = energy stored
$$\eqalign{
& = \frac{1}{2}C{V^2} \cr
& = \frac{1}{2} \times 4 \times {10^{ - 6}} \times {\left( {400} \right)^2} \cr
& = 0.32\,J \cr} $$