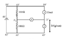
Solution :
$${R_A} = $$ resistance of ammeter
$$\eqalign{
& \frac{{4 - {V_1}}}{{100}} = \frac{{{V_1} - 1}}{{{R_A}}} + \frac{{{V_1} - 0}}{{100}}\,......\left( {\text{i}} \right) \cr
& 1\,V - 0\,V = \left( {10mA} \right){R_A} \cr
& {R_A} = 100\Omega \,......\left( {{\text{ii}}} \right) \cr} $$

$$\eqalign{
& \frac{{4 - {V_1}}}{{100}} = \frac{{{V_1} - 1}}{{100}} + \frac{{{V_1} - 0}}{{100}}\,\,\left[ {{\text{By using eq}}{\text{. }}\left( {\text{i}} \right){\text{ and }}\left( {{\text{ii}}} \right)} \right] \cr
& {V_1} = \left( {\frac{5}{3}} \right)V \cr
& \frac{{{V_1} - 1}}{{{R_A}}} = \left( {{\text{Current in ammeter }}\left( {{\text{II}}} \right)} \right) \cr
& = \frac{{\left( {\frac{5}{3}} \right) - 1}}{{100}} = 6.67\,mA \cr} $$