Solution :
The induced emf across the sliding wire
$$e = Bv\ell = 0.5 \times 4 \times 0.25 = 0.5\,V$$

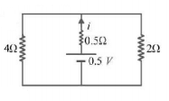
The effective circuit is shown in figure.
The equivalent resistance of the circuit
$$\eqalign{
& r = \frac{{4 \times 2}}{{4 + 2}} + 0.5 = 1.83\,\Omega \cr
& {\text{Now,}}\,i = \frac{V}{R} = \frac{{0.5}}{{1.83}} = 0.27\,A \cr} $$