Solution :
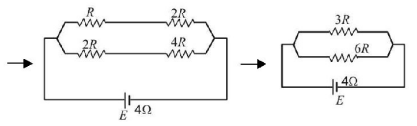
The equivalent circuits are shown in the figure.

The circuit represents balanced Wheatstone Bridge. Hence $$6R\,\Omega $$ resistance is ineffective

$$\frac{1}{{{R_{eq}}}} = \frac{1}{{3R}} + \frac{1}{{6R}},\,\,\,{R_{eq}} = \frac{{\left( {3R} \right)\left( {6R} \right)}}{{\left( {3R} \right) + \left( {6R} \right)}} = 2R$$
For Max. Power
External Resistance = Internal Resistance
$$2R = 4\Omega \,\,\therefore R = 2\Omega $$