Question
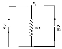
A $$5V$$ battery with internal resistance $$2\,\Omega $$ and a $$2V$$ battery with internal resistance $$1\,\Omega $$ are connected to a $$10\,\Omega $$ resistor as shown in the figure.

The current in the $$10\,\Omega $$ resistor is
A.
$$0.27\,A\,{P_1}$$ to $${P_1}$$
B.
$$0.03\,A\,{P_1}$$ to $${P_2}$$
C.
$$0.03\,A\,{P_1}$$ to $${P_1}$$
D.
$$0.27\,A\,{P_1}$$ to $${P_2}$$
Answer :
$$0.03\,A\,{P_1}$$ to $${P_1}$$
Solution :
Applying kirchoff's loop law in $$AB{P_2}{P_1}A$$ we get
$$ - 2i + 5 - 10\,{i_1} = 0\,......\left( {\text{i}} \right)$$

Again applying kirchoff’s loop law in $${P_2}CD{P_1}{P_2}$$ we get, $$10\,{i_1} + 2 - i + {i_1} = 0\,......\left( {{\text{ii}}} \right)$$
From (i) and (ii) $$11{i_1} + 2 - \left[ {\frac{{5 - 10{i_1}}}{2}} \right] = 0$$
$$ \Rightarrow {i_1} = \frac{1}{{32}}\,A\,{\text{from}}\,{P_2}\,{\text{to}}\,{P_1}$$